Universitatea Tehnica "Gh.Asachi" Iasi - Fac. Automatica si Calculatoare
Sisteme Incorporate

 Pico
Experiment nr. 5p

  • L5p.1 Denumire:


  • RPi Pico 2040 - actuatoare pentru telefoane mobile



  • E5p.2 Prezentare generala, scop.


  • Experimentul exploreaza modul de configurare si interconectare a modulelor de comunicatii cu protocol BlueTooth si posibilitatile de interfatare si programare cu platformele Raspberry Pi PICO . Sunt incluse aplicatiile de tip Terminal pentru telefoanele mobile ce pot fi utilizate pentru activarea actuatoarelor ce pot fi atasate. La sfarsitul alboratorului se vor detine informatii detaliate despre modul de realizare a unui proiect cadru pentru dezvoltarea actuatoarelor pentru telefoanele mobile - conform specificatiilor pentru student prj [Curs7].


  • E5.3 Resurse:


  • - Platforma de dezvoltare Rpi Pico, driver actuator ,modul BT RN42 ;
    - Telefon mobil cu aplicatie de tip Terminal;
    - Telefon mobil cu aplicatie de tip BT Voice Control for Arduino;



  • L5p.4 Surse programe prototip:


  • Activare clopot cu telefon mobil

  • E5p.5 Mod de desfasurare/urmarire experiment:

  • Platforma Rpi PICO necesita incarcarea unui interpretor Python care se poate efectua conform instructiunilor proiectantului. Mediul de dezvoltare aplicatii este format dintr-un RPi4 conectat cu Pico prin cablu USB Conexiunea corecta se verifica cu comanda :

    >ls /dev/tty*

    in urma careia trebuie sa se observe prezenta Pico cu denumirea ttyACM0.



    Dezvoltarea aplicatiilor necesita realizarea unui mediu Python virtual care se realizeaza cu comenzile:

    >python3 -m venv venv
    >source venv/bin/acivate
    >pip install rshell
    >rshell -p /dev/ttyACM0 --buffer-size 512

    /home/pi
    >cp Lab5p.py /pyboard/main.py

    /home/pi>repl

    >>> ctrl+D // lansare in executie

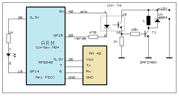
    La Rpi pico se conecteaza un actuator electromagnetic conform schemei de mai jos:


    Modulul BT este setat ca slave si poate fi accesta cu telefonul mobil prevazut cu un program terminal. Trimierea cu acesta a numerelor 1... 9 permite cativarea electromagnetului care actioneza asupra clopotului.

  • Utilizand un convertor USB -RS232 de tip FTDI configurati un modul BT pentru a putea comunica cu telefonul mobil;
  • Configurati interfata Blue Tooth a telefonului mobil astfel incat sa poata comunica cu modulul BT.


  • Analizati programul prototip si modul de executia pe platforma Rpi Pico.
  • Cu o aplicatie Terminal instalata pe telefonul mobil vizualizati pe PC terminal caracterele emise catre Pico.


  • Se rezolva problemele propuse;


  • L5.6 Probleme propuse:


  • 1. Realizati o secventa program care va activa un motor de curent continuu conectat la driverul pentru clopot cucaraterele trimise de la un PC cu aplicatie Terminal;

    2. Realizati o conexiune BT intre 2 platforme pico si puneti in evidenta realizarea corecta a comunicatiilor intre cele 2 sisteme;

    3. Identificati aplicatii pe Android care permit transmiterea prin BT a informatiilor despre sensorul de acceleratie de pe telefon si evidentiati pe PC+terminal+BT;

    4. Identificati aplicatii pe Android care permit recunoasterea cuvintelor si emiterea de mesaje pe interfete BT - evidentiati pe PC+Terminal+BT;

    5. Utilizand telefonul mobil +aplicatii adecvate realizati o procedura de activare a clopotului cu comenzi vocale.


  • L5.7 Experimentul poate fi extins pentru:


  • - Realizare structurilor de tip Persoanla Area Network;
    - Realizarea dispozitivelor de tip "Smart" capabile sa fie actionate prin intermediul telefoanelor mobile;
    - Realizarea echipamentelor medicale activabile prin voce;
    - Realizarea sistemelor audio in automobile;



  • L5.8 Referinte documentare:


  • © 2021 Fl. Pantilimonescu - Fac. Automatica si Calculatoare Iasi