Universitatea Tehnica Iasi - Fac. Automatica si Calculatoare
Microprocessor Systems

Experiment nr. 13

  • E13.1 Title:


  • Linux Dronecode - control BLDC


  • E13.2 General Presentation, Purpose.


  • The laboratory experiment aims to introduce the basic elements from the universe of Linux Dronecode destinat sa ofere o structura hardware/software deschisa pentru dezvoltarea UAV . Sunt explorate componentele de baza, respectiv

    PX4
    QGROUNDCONTROL
    MAVLink .

    Particularizarea experimentului urmareste controlul cu platforma Raspberry Pi a motoarelor BLDC . At the end of the lab, relevant information will be available on controlling BLDC motors used for drone propulsion, with concrete elements being part of the NXP prototype drone proposed for the HoverGames competition.


  • E13.3 Resources:


  • Platforma Raspberry pi 2/3, NXP Drone BLDC , ESC.






  • E13.4 Surse programe exemplu:

  • Secventa armare - pornire ............Observa

    Modificare viteza ...........Observa

    Vizualizare Duty Cycle ...........Observa

    Modificare viteza cu potentiometru ..............Observa

  • E13.5 Experiment Execution/Monitoring:

  • The Linux Donecode project maintains a community of developers passionate about building autonomous actuators capable of providing transport, surveillance, and other services. The control screen is partially shown below





    Using MAVLink, the trajectory of a UAV running the PX4 application on a Flight Controller can be configured and planned. Within the Dronecode project, these have ARM processors and interfaces for sensors and actuators provided with dedicated connectors. The NXP variant is visible in the images below.

    .....


    The Flight Controller has an LED whose color encodes the state of the drone as follows:


    MAV link este un protocolul de comunicatie intre cele 2 componente anterioare.
    Recent a fost realizata o noua varianta de Flight controller (ARM A57) ce ruleaza PX4 denumita SkyNode a fost adoptat de catre DARPA. Conform anuntului oficial:

    Skynode also enables obstacle detection and avoidance, VIO positioning, Remote ID, and UTM. Skynode is directly integrated with the Auterion Cloud that enables predictive maintenance, aircraft and pilot management, compliance reports, and integrations into existing business workflows.


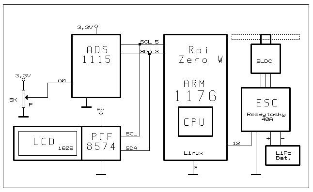
    The control diagram of a BLDC motor used for propulsion of the NXP drone is shown in the following figure:



    The motors that propel the drone are equipped with an ESC (Electronic Speed Controller), whose block diagram is shown below:




    Interfata de comunicatie cu un ESC este realizata prin intermediul unei intrari digitale care functioneaza asemantor cu cea de la servo.
    Secventa de armare consta din livrarea unui PWM cu viteza maxima pe durata de 2 secunde duapa care se poate cupla alimentarea motorului. Dupa 2 s se livreaz un semnal PWM corespunzator vitezei minime.
    Dupa acesata secventa motorul poate primi parametri de viteza , respectiv PWM cu duratele cuprinse in general in intervalul 1ms - 2 ms si perioada de 50 Hz. Secventele de armare/programare sunt insotite de semnale acustice care identifica starea modulului ESC.

  • E13.6 Proposed Problems:


  • 1. Develop an application;
    2. Create a program that will start the motor at minimum speed;
    3. Develop a solution that will allow software-based reversal of the BLDC motor rotation direction;
    4. Create a program;
    5. Create a server application that will allow operating the BLDC motor using a web browser.



  • E13.7 The Experiment Can Be Extended To:

  • - Dezvoltarea IOT cu actuatoare cu BLDC;
    - Dezvoltarea echipamente/interfete de lucru pentru persoane accidentate/invalide;
    - Realizare echipamente supraveghere incendii;
    - Realizare echipamente mobile transport marfa;

    - Realizare taxiuri aeriene
    - Aplicatii militare.


  • E13.8 Documentary References:



  • © 2023 - Fac. Automatica si Calculatoare Iasi